特點
海灣J-SAM-GST9116手動火災報警按鈕安裝在船舶及工業防爆場所,當人工確認火災發生后按下報 警按鈕上的按片,可發出火災報警信號。
報警按鈕既可以工作在編碼模式:即與我公司生產的聯動型火災報警控制器連接,通過總線傳 遞信息;也可以工作在非編碼模式:直接與 DC24V 連接,通過按鍵開關輸出火警信號。
報警按鈕的防爆性能符合 GB 3836.1 《爆炸性氣體環境用電氣設備 第 1 部分: 通用要求》、 GB 3836.2《爆炸性氣體環境用電氣設備 第 2 部分: 隔爆型 “d”》、GB 12476.1《可燃性粉塵環境 用電氣設備 第 1 部分:用外殼和限制表面溫度保護的電氣設備 第 1 節:電氣設備的技術要求》標 準的要求,同時還滿足 GB 19880《手動火災報警按鈕》中的各項要求。
報警按鈕適用于船舶、爆炸性氣體危險場所的 1 區、2 區和爆炸性粉塵危險場所的 20 區、21 區和 22 區,可用于戶外,需根據現場環境選用
主要技術指標
(1) 工作電壓:編碼模式:總線 24V,工作電壓范圍:總線 16V~28V 非編碼模式:DC24V,工作電壓范圍:DC20V~DC28V
(2) 工作電流:監視電流≤0.8mA,報警電流≤2.5mA
(3) 輸出容量:常開無源輸出,觸點容量 DC24V/1A
(4) 防爆標志:ExdⅡBT6/DIP A20 TA,T6 ;ExdⅡCT6/DIP A20 TA,T6
(5) 火警指示燈:紅色,正常監視時閃亮,報警后常亮
(6) 外殼防護等級:IP66
(7) 使用環境:溫度:-25℃~+70℃ 相對濕度≤95%,不結露
(8) 外形尺寸:ExdⅡBT6/DIP A20 TA,T6 :196mm×129mm×95mm;
ExdⅡCT6/DIP A20 TA,T6:211mm×129mm×95mm
結構特征、安裝與布線
按鈕外形圖如圖 1-80 所示:

報警按鈕的安裝采用壁掛安裝和立柱安裝兩種方式。
壁掛安裝方式示意圖如圖 1-81 所示:

報警按鈕主體分為底殼和上蓋兩部分,安裝前,應首先將上蓋上的 4 個固定螺栓擰下,將上蓋 小心的從底殼上取下來。
將掛板與底殼用 M5×8 的十字槽盤頭螺釘連接牢固,然后使用 M8×60 的膨脹螺栓將報警按鈕的 底殼和掛板直接固定在墻壁上。
立柱安裝方式示意圖如圖 1-82 所示:

報警按鈕上蓋線路板上配有接線端子,對外接線端子示意圖如圖 1-83

其中:
Z1、Z2:編碼模式:接信號總線,無極性;非編碼模式:接 DC24V,無極性。
Z3、Z4:用于 Z1、Z2 輸入信號的分線輸出。
K1、K2:無源常開輸出端子,當報警按鈕按下時,輸出觸點閉合,可直接控制外部設備。 可根據實際情況選擇是否使用。
接線時應將電纜線按順序接入接線端子上。
接好線后,將上蓋蓋到底殼上,然后將上蓋與底殼用 M5×10 的沉頭內六角螺釘固定即完成安 裝。
本報警按鈕室外安裝時可配用 LZ10011 型防雨罩與 LZ1001 型立柱。LZ10011 型防雨罩可采用 壁掛式安裝,也可與 LZ1001 型立柱配套安裝。
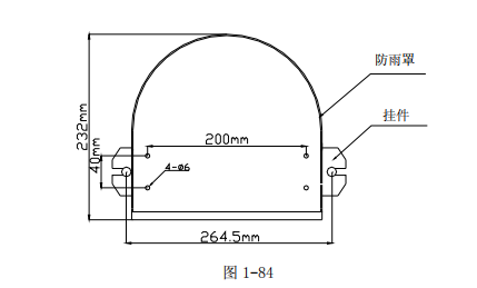
LZ10011 型防雨罩壁掛安裝時需配用掛件進行安裝,壁掛安裝示意圖如圖 1-84 所示。

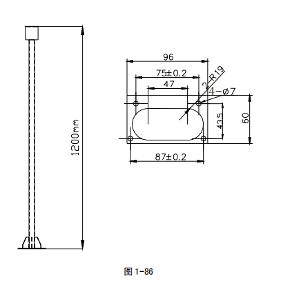
LZ10011 型防雨罩與 LZ1001 型立柱配套安裝示意圖如圖 1-85


布線要求:
本報警按鈕應用于ⅡB 環境中,電纜引入裝置為橡膠密封圈型式。將截面積≥1mm2 、外徑為φ 8mm-φ10mm 的屏蔽耐火雙絞電纜穿過金屬墊圈和橡膠密封圈,將橡膠密封圈、金屬墊圈連同電纜一 同旋進報警按鈕殼體,用扳手將密封圈壓緊對絲旋緊。 本報警按鈕也可應用于ⅡC 環境中,但需使用隔爆型電纜密封套(填料函)作為引入裝置,安 裝時,必須用填料函將電纜密封套填充,填充材料及填充方式符合防爆相關規定。


蘇公網安備32058102002318號
客服1